Threaded Flange با ارائه راه حل ایمن و بدون جوش برای اتصال لوله های رزوه ای، اتصال خطوط لوله را متحول می کند و آن را به انتخاب نهایی برای محیط هایی تبدیل می کند که ایمنی و سازگاری غیرقابل مذاکره است. این فلنج که با رزوه داخلی دقیق مهندسی شده است، به طور یکپارچه با لوله های فولادی گالوانیزه یا سیستم هایی که جوشکاری ممنوع است - مانند تنظیمات صنعتی قابل اشتعال، مواد منفجره یا بسیار حساس، یکپارچه می شود. طراحی نوآورانه آن خطرات آتش سوزی مرتبط با جوشکاری را حذف می کند و از انطباق با پروتکل های ایمنی دقیق اطمینان حاصل می کند و در عین حال مهر و موم مقاوم و ضد نشتی ارائه می دهد که در برابر فشارهای بالا مقاومت می کند. اتصال رزوه ای امکان نصب و جداسازی سریع را فراهم می کند، تیم های تعمیر و نگهداری را قادر می سازد تا سیستم ها را بدون تجهیزات تخصصی عیب یابی یا ارتقا دهند، و زمان خرابی را در عملیات های حیاتی مانند پردازش شیمیایی، توزیع نفت و گاز یا تولید دارو کاهش می دهد.
| اندازه | DN15 (1/2 اینچ)-DN600 (24 اینچ) |
| رتبه بندی فشار | 0.6- 4.0MPa |
| محدوده دما | -45 تا 260 درجه سانتیگراد |
| گواهی | PED، AD2000، EAC، ABS، BV، DNV، NORSOK M650، ISO9001، ISO14001، ISO45001، و غیره. |
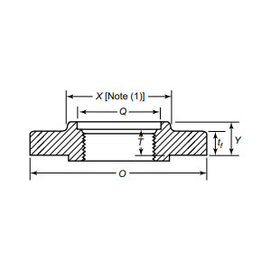
| معرفی تابع | فلنج رزوه دار از طریق نخ لوله داخلی به لوله رزوه ای متصل می شود و جوشکاری را حذف می کند. ایده آل برای لوله های فولادی گالوانیزه یا محیط های جوش محدود (قابل اشتعال/منفجره). دارای نصب آسان و نگهداری انعطاف پذیر است، به ویژه برای فولاد آلیاژی و سایر مواد با جوش پذیری ضعیف مناسب است. |
| فیلدهای کاربردی | قابل استفاده برای اتصالات فلنج لوله در خطوط لوله نفت و گاز از راه دور، سکوهای دریایی، تجهیزات شیمیایی، سیستم های تصفیه آب، و صنایع غذایی و دارویی، سازگار با شرایط کاری پیچیده. |
| بسته بندی | بسته دریایی، جعبه های تخته سه لا یا پالت یا طبق نیاز مشتری |
| محصولات ویژه | 1، حداقل سفارش دسته ای کوچک |
ایده آل برای مواد مستعد جوشکاری - مانند فولاد آلیاژی - Thread Flange یکپارچگی مواد را حفظ می کند و از شکنندگی یا اعوجاج ناشی از گرما جلوگیری می کند. ساختار مقاوم در برابر خوردگی آن، که در فولاد کربنی یا فولاد ضد زنگ موجود است، طول عمر را حتی در محیطهای سخت، از سکوهای حفاری دریایی گرفته تا سیستمهای بهداشتی غذایی، تضمین میکند. این فلنج با پشتوانه انطباق دقیق با استانداردهای جهانی، قابلیت اطمینان را در کاربردهای پرمخاطره، از جمله سیستم های هیدرولیک، خطوط لوله برودتی، و انتقال مایعات قابل احتراق تضمین می کند. برای صنایعی که ایمنی، کارایی و نگهداری مقرون به صرفه را در اولویت قرار می دهند، Threaded Flange یک راه حل تحول آفرین است. امروز زیرساخت خود را با فلنج های نخی برتر ما ارتقا دهید - جایی که نوآوری با ایمنی کامل روبرو می شود و سیستم های شما را قادر می سازد در سخت ترین شرایط بی عیب و نقص کار کنند. اعتماد را انتخاب کنید، دوام را انتخاب کنید، و پتانسیل خط لوله خود را دوباره تعریف کنید.
از مواد خام تا تحویل نهایی، ما کنترل دقیقی را در هر مرحله برای اطمینان از دوام، عملکرد و ثبات حفظ می کنیم.
01
02
03
04
05
06
07
08
09
10
11
12
