زانویی رزوهای 90 درجه فورج کارایی را در سیستمهای خط لوله بازتعریف میکند و راهحلی قوی برای تغییرات جهت دقیق 90 درجه ارائه میکند و در عین حال از نصب و نگهداری بدون زحمت از طریق طراحی اتصال رزوهای آن اطمینان حاصل میکند. این زانویی که از فولاد کربنی آهنگری درجه بالا یا فولاد ضد زنگ ساخته شده است، استحکام استثنایی را با مقاومت در برابر خوردگی ترکیب می کند و آن را برای سیستم های سیال کم فشار که در آن قابلیت اطمینان و سازگاری بسیار مهم است، ایده آل می کند. انتهای رزوه ای امکان مونتاژ و جداسازی سریع بدون ابزارهای تخصصی را فراهم می کند و روال تعمیر و نگهداری را در کاربردهایی مانند شبکه های توزیع آب، سیستم های HVAC و راه اندازی های آبیاری صنعتی ساده می کند. طراحی جمع و جور آن فضاهای تنگ را به راحتی هدایت می کند، بازده جریان را بهینه می کند و در عین حال تلاطم و افت فشار را به حداقل می رساند - یک مزیت حیاتی در محیط های محدود مانند مهندسی دریایی، پردازش مواد غذایی و تاسیسات دارویی.
| اندازه | DN15 (1/2 اینچ) ~ DN600 (24 اینچ) |
| سطح فشار | کلاس 2000 تا 6000 |
| نوع موضوع | NPT، BSPP، BSPT |
| گواهی | PED، AD2000، EAC، ABS، BV، DNV، NORSOK M650، ISO9001، ISO14001، ISO45001، و غیره. |
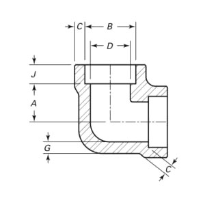
| معرفی تابع | مورد استفاده برای چرخش جهت 90 درجه خطوط لوله با اتصال رزوه ای، جداسازی و نگهداری آسان، مناسب برای سیستم های سیال کم فشار. |
| فیلدهای کاربردی | طراحی شده برای سیستم های خطوط لوله فشار بالا، مناسب برای اتصال و هدایت قطعات کلیدی مانند پالایش نفت، تجهیزات انرژی هسته ای، تجهیزات شیمیایی، مخازن تحت فشار دیگ بخار و غیره. |
| بسته بندی | بسته دریایی، جعبه های تخته سه لا یا پالت یا طبق نیاز مشتری |
| محصولات ویژه | 1، حداقل سفارش دسته ای کوچک |
این زانویی که برای مقاومت در برابر دماهای نوسان و استرس مکانیکی طراحی شده است، عملکرد ضد نشتی را در سیستمهای هیدرولیک، کنترلهای پنوماتیکی و خطوط بخار کم فشار تضمین میکند و زمان خرابی و هزینههای عملیاتی طولانیمدت را کاهش میدهد. با سادهسازی مسیریابی پیچیده و حذف نقاط شکست احتمالی، به صنایع این امکان را میدهد که مدیریت یکپارچه سیال را حتی در طرحبندیهای محدود به فضا حفظ کنند. برای مهندسانی که دوام، انعطاف پذیری و مقرون به صرفه بودن را در اولویت قرار می دهند، زانویی با نخ 90 درجه فورج شده به عنوان یک متحد قابل اعتماد است. امروز زیرساختهای خود را با آرنجهای فرفورژه دقیق ما ارتقا دهید - جایی که عملکرد ناهموار با طراحی هوشمند مطابقت دارد و اطمینان حاصل میکند که سیستمهای شما تحت نیازهای صنعت مدرن بدون نقص کار میکنند. قابلیت اطمینان را انتخاب کنید، کارایی را انتخاب کنید و شبکه های خط لوله خود را با راه حلی که برای پایداری ساخته شده است متحول کنید.
از مواد خام تا تحویل نهایی، ما کنترل دقیقی را در هر مرحله برای اطمینان از دوام، عملکرد و ثبات حفظ می کنیم.
01
02
03
04
05
06
07
08
09
10
11
12
