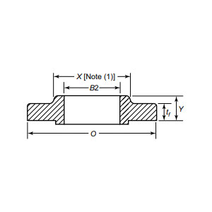
Slip On Flange به عنوان سنگ بنای راه حل های لوله کشی مقرون به صرفه است که سادگی را با قابلیت اطمینان برای برآوردن نیازهای سیستم های کم فشار ترکیب می کند. این فلنج که برای یکپارچه سازی بدون زحمت طراحی شده است، روی لوله می لغزد و از طریق یک جوش فیله ایمن می شود، نصب را ساده می کند و در عین حال هزینه های کار و مواد را به حداقل می رساند - ایده آل برای پروژه های صرفه جویی در بودجه بدون به خطر انداختن عملکرد. سطح آببندی صاف آن (FF) عملکرد بدون نشتی را در کاربردهای غیرسمی و کم فشار مانند شبکههای آب شهری، سیستمهای HVAC و خطوط لوله صنعتی عمومی تضمین میکند، در حالی که صفحه مقعر محدب (MF) تقویتشده یکپارچگی آببندی را برای محیطهای کمی سختتر افزایش میدهد.
| محدوده قطر | DN15 (1/2 اینچ)-DN3000 (119 اینچ) |
| درجه بندی فشار | PN6-PN16 |
| گواهی | PED، AD2000، EAC، ABS، BV، DNV، NORSOK M650، ISO9001 ISO14001، ISO45001، و غیره. |
| معرفی تابع | ساختار ساده جوش داده شده، راه حل مقرون به صرفه، نصب آسان، FF (Flat Face) برای رسانه های غیر سمی کم فشار، MF (نر-ماده) برای آب بندی پیشرفته |
| فیلدهای کاربردی | قابل استفاده برای اتصالات فلنج لوله در خطوط لوله نفت و گاز از راه دور، سکوهای دریایی، تجهیزات شیمیایی، سیستم های تصفیه آب، و صنایع غذایی و دارویی، سازگار با شرایط کاری پیچیده. |
| بسته بندی | بسته دریایی، جعبه های تخته سه لا یا پالت یا طبق نیاز مشتری |
| محصولات ویژه | 1، حداقل سفارش دسته ای کوچک 2- تحویل سریع 3، تولید سفارشی ; |
ساخته شده از فولاد کربنی بادوام یا فولاد ضد زنگ، در برابر خوردگی و استرس مکانیکی مقاومت می کند، و آن را به یک انتخاب همه کاره برای صنایع مختلف از فرآوری مواد غذایی گرفته تا تولید شیمیایی تبدیل می کند، جایی که بهداشت و سهولت نگهداری در اولویت هستند. طراحی فشرده و سبک وزن، مقاوم سازی و هم ترازی را ساده می کند و زمان خرابی را در طول توسعه یا تعمیر سیستم کاهش می دهد. فلنج Slip On چه در آبیاری کشاورزی، چه در تاسیسات دارویی یا لولهکشی دریایی استفاده شود، به طور یکپارچه با طرحبندیهای متنوع سازگار میشود و از انطباق با استانداردهای ASME و EN اطمینان حاصل میکند. با توازن مقرونبهصرفه و مهندسی قوی، مهندسان را قادر میسازد تا هزینههای زیرساخت را بدون به خطر انداختن ایمنی بهینه کنند. امروز سیستمهای خط لوله خود را با فلنجهای Slip On ما ارتقا دهید - جایی که سادگی با قدرت روبرو میشود و به شما امکان میدهد هوشمندتر بسازید، راحتتر نگهداری کنید و با اطمینان کار کنید. کارایی را انتخاب کنید، قابلیت اطمینان را انتخاب کنید و زیرساخت خط لوله خود را امروز متحول کنید.
از مواد خام تا تحویل نهایی، ما کنترل دقیقی را در هر مرحله برای اطمینان از دوام، عملکرد و ثبات حفظ می کنیم.
01
02
03
04
05
06
07
08
09
10
11
12
