Socket Welding Flange با ادغام استحکام برتر با دینامیک سیال بدون درز، که برای ارائه عملکرد بی نظیر در کاربردهای فشرده و پرمخاطره طراحی شده است، اتصالات خط لوله فشار بالا را دوباره تعریف می کند. این فلنج که برای لولههای با قطر کوچک طراحی شده است، از پیکربندی جوشکاری سوکتی استفاده میکند که اتصال جوش را در خود فلنج محصور میکند، برجستگیهای جوش خارجی را از بین میبرد و مقاومت جریان را به حداقل میرساند - یک مزیت حیاتی در سیستمهایی که کاهش آشفتگی و بهداشت اهمیت بالایی دارند. جوش پنهان نه تنها تمیز کردن و بازرسی را در محیطهای استریل مانند کارخانههای دارویی یا فرآوری مواد غذایی ساده میکند، بلکه یکپارچگی ساختاری، مقاومت در برابر ارتعاش و افزایش فشار در پالایشگاههای نفت و گاز، راکتورهای شیمیایی یا خطوط بخار پرفشار را افزایش میدهد. با ماشینکاری دقیق از فولاد کربنی آهنگری یا فولاد ضد زنگ، مقاومت در برابر خوردگی را با استحکام کششی استثنایی ترکیب می کند و از آب بندی ضد نشتی حتی در دماها و فشارهای شدید اطمینان می دهد.
| محدوده قطر | DN15 (1/2 اینچ)-DN150 (6 اینچ) |
| درجه بندی فشار | 1.6-16MPa |
| گواهینامه | PED، AD2000، EAC، ABS، BV، DNV، NORSOK M650، ISO9001، ISO14001، ISO45001، و غیره. |
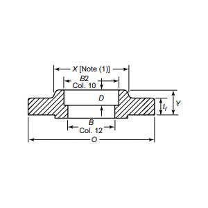
| معرفی تابع | اتصال جوش سوکت، طراحی جوش پنهان مقاومت جریان را کاهش می دهد، بهینه شده برای کاربردهای فشار بالا با قطر کوچک، عملکرد آب بندی عالی |
| فیلدهای کاربردی | قابل استفاده برای اتصالات فلنج لوله در خطوط لوله نفت و گاز از راه دور، سکوهای دریایی، تجهیزات شیمیایی، سیستم های تصفیه آب، و صنایع غذایی و دارویی، سازگار با شرایط کاری پیچیده. |
| بسته بندی | بسته دریایی، جعبه های تخته سه لا یا پالت یا طبق نیاز مشتری |
| محصولات ویژه | 1، حداقل سفارش دسته ای کوچک |
طراحی جمع و جور آن نصب را در فضاهای تنگ ساده می کند، در حالی که اتصال قوی آن در برابر انبساط حرارتی دوره ای مقاومت می کند، و آن را برای سکوهای دریایی، توربین های تولید برق و سیستم های هیدرولیک ایده آل می کند. این فلنج با حذف نقاط ضعف بالقوه و کاهش چرخههای تعمیر و نگهداری، صنایع را قادر میسازد تا بدون به خطر انداختن کارایی، ایمنی را در اولویت قرار دهند. با پشتوانه انطباق با استانداردهای ASME B16.5 و آزمایش های غیر مخرب دقیق، قابلیت اطمینان در عملیات های حیاتی را تضمین می کند. برای مهندسانی که به دنبال راه حل فشرده و پرفشاری هستند که دوام را با بهینه سازی سیال تلفیق کند، فلنج جوش سوکت انتخاب نهایی است. امروز زیرساختهای خود را با فلنجهای مهندسی دقیق ما ارتقا دهید - جایی که نوآوری با انعطافپذیری روبرو میشود و سیستمهای شما را قادر میسازد تا با دقت، ایمنی و اطمینان تزلزل ناپذیر عمل کنند. برتری را انتخاب کنید، استقامت را انتخاب کنید و پتانسیل خط لوله خود را متحول کنید.
از مواد خام تا تحویل نهایی، ما کنترل دقیقی را در هر مرحله برای اطمینان از دوام، عملکرد و ثبات حفظ می کنیم.
01
02
03
04
05
06
07
08
09
10
11
12
